High efficiency, low output ripple noise, ultra wide voltage input 2:1,4:1
No need for external components
Continuous short circuit protection in Shanghai (self recovery)
Isolation voltage up to 1500VDC
Metal shielding packaging
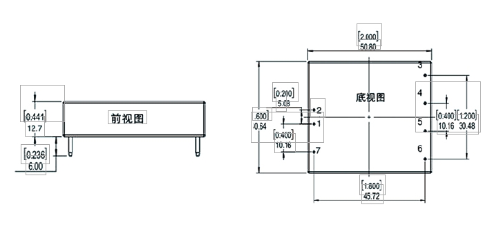
High reliability (MTIF at 1 million hours) international standard pin method DIP package
100% full load aging

Winchen Power
Contact:charles
Mobile:86-15692172948
Email:sales@winchen-power.com
Add:Nanshan District, Shenzhen Guangdong Provice